StatAi®  Start Tech

CNC Products Manufacturer Offer Industry Control Solution
Email:main@microstep.cc
Product Detail

80 series servo motor

Details
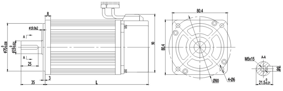
Dimension
Use Guide
Supporting Products


Model

Rated power KW

Rated RPM

Rated torque Nm

Driver

60ST-02030

0.2

3000

0.637

ST-400A

60ST-04030

0.4

3000

1.27

ST-400A

60ST-06030

0.6

3000

1.91

ST-800A

80ST-07530

0.75

3000

2.39

ST-800A

80ST-07320

0.73

2000

3.5

ST-800A

80ST-10025

1.0

2500

4.0

ST-1500A

110ST-12030

1.2

3000

4.0

ST-1500A

110ST-15030

1.5

3000

5.0

ST-1500A

110ST-18030

1.8

3000

6.0

ST-2500A

130ST-20025

2.0

2500

7.7

ST-2500A

130ST-15015

1.5

1500

10.0

ST-2500A

130ST-23015

2.3

1500

15.0

ST-2500A



Parameters

Model

80 series

80ST-07530

80ST-07320

80ST-10025

Rated power KW

0.75

0.73

1.0

Rated line voltage V

220

220

220

Rated line current A

3

3

4.4

Rated RPM

3000

2000

2500

Rated torque Nm

2.39

3.5

4

Peak torque Nm

7.1

10.5

12

Rotor inertia kg·m2

1.82x10-4

2.63x10-4

2.97x10-4

Encoder line PPR

2500

Insulation class

Class F

Protection class

IP65

Use environment

Temperature: -20+50,   relative humidity 90% (no frost)





80ST-07530

80ST-07320

80ST-10025

L no brake

151

179

191

L with permanent magnet brake

205

233

245

L with electrical magnet brake

191

219

231