StatAi®  Start Tech

CNC Products Manufacturer Offer Industry Control Solution
Email:main@microstep.cc
Product Detail
ST-1500A servo driver

ST-1500A servo driver

1. Equipped with an advanced DSP (Digital Signal Processor) chip and cutting-edge IPM power devices, the system delivers high performance, rapid response, high reliability, and low cost. It supports fully customized functional solutions, matching the performance of imported products at the price of domestic servos—placing it at the forefront of servo control in China.
2. The full-digital AC servo drive employs an advanced DSP chip and provides three-loop intelligent PID control for speed, position, and torque, enabling a highly flexible system configuration.
3. By using state-of-the-art IPM power modules, the full-digital servo drive achieves a compact size while maintaining excellent reliability.
4. The amplifier offers industry-leading response characteristics, significantly shortening settling time: the speed-loop bandwidth reaches 1kHz, the current-loop bandwidth reaches 2kHz, and settling completes within 10ms.
5. A high-response servo motor with a 2 500-line incremental encoder
Details
Dimension
Use Guide
Supporting Products

Aservo system consists of three main components: the controller, the power-driveunit, the feedback device, and the motor.

Controller continuously compares the reference value from the CNC system with the actualvalue measured by the feedback device and adjusts the control variableaccordingly.   

Power-drive unit forms the system’s main power loop. On one hand, it applies electrical energyfrom the mains to the motor in proportion to the control variable, regulatingmotor torque; on the other hand, it converts theconstant-voltage/constant-frequency mains supply into the AC or DC powerrequired by the motor.   

Motor converts the suppliedelectrical energy into mechanical motion, driving the load in accordance withthe power delivered.

EnvironmentalSpecifications   

Operatingtemperature / humidity: 0 55 °C(no freezing), 90 % RH (non-condensing).   

Storagetemperature / humidity: 20 65 °C(no freezing), 90 % RH (non-condensing).   

Ambientatmosphere: inside a control cabinet free of corrosive or flammable gases, oilmist, dust, etc.   

Altitude:1 000 m above sea level.   

Vibration:0.5 G (4.9 m/s²), 10 60 Hz (non-continuousoperation).   

Protection:The servo drive itself is not protected; it must be installed in a well-sealedelectrical enclosure that prevents ingress of corrosive or flammable gases,conductive objects, metallic dust, oil mist, or liquids.
















Model

Rated power KW

Rated RPM

Rated torque Nm

Driver

60ST-02030

0.2

3000

0.637

ST-400A

60ST-04030

0.4

3000

1.27

ST-400A

60ST-06030

0.6

3000

1.91

ST-800A

80ST-07530

0.75

3000

2.39

ST-800A

80ST-07320

0.73

2000

3.5

ST-800A

80ST-10025

1.0

2500

4.0

ST-1500A

110ST-12030

1.2

3000

4.0

ST-1500A

110ST-15030

1.5

3000

5.0

ST-1500A

110ST-18030

1.8

3000

6.0

ST-2500A

130ST-20025

2.0

2500

7.7

ST-2500A

130ST-15015

1.5

1500

10.0

ST-2500A

130ST-23015

2.3

1500

15.0

ST-2500A


60series motor parameters

Model

60 series

60ST-02030

60ST-04030

60ST-06030

Rated power KW

0.2

0.4

0.6

Rated line voltage V

220

220

220

Rated line current A

1.2

2.8

3.5

Rated RPM

3000

3000

3000

Rated torque Nm

0.637

1..27

1.91

Peak torque Nm

1.91

3.9

5.73

Rotor inertia kg·m²

0.175x10-4

0.29x10-4

0.39x10-4

Encoder line (PPR)

2500

Insulation class

Class F

Protection class

IP65

Use environment

Temperature: -20+50,   relative humidity 90% (no frost)

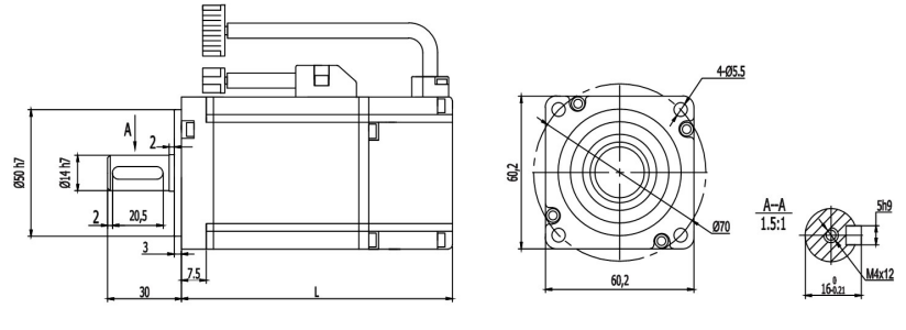
60series motor dimensions


60ST-02030

60ST-04030

60ST-06030

L no brake

116

141

169

L with permanent magnet brake

164

189

217


80 series motor parameters

Model

80 series

80ST-07530

80ST-07320

80ST-10025

Rated power KW

0.75

0.73

1.0

Rated line voltage V

220

220

220

Rated line current A

3

3

4.4

Rated RPM

3000

2000

2500

Rated torque Nm

2.39

3.5

4

Peak torque Nm

7.1

10.5

12

Rotor inertia kg·m2

1.82x10-4

2.63x10-4

2.97x10-4

Encoder line PPR

2500

Insulation class

Class F

Protection class

IP65

Use environment

Temperature: -20+50,   relative humidity 90% (no frost)



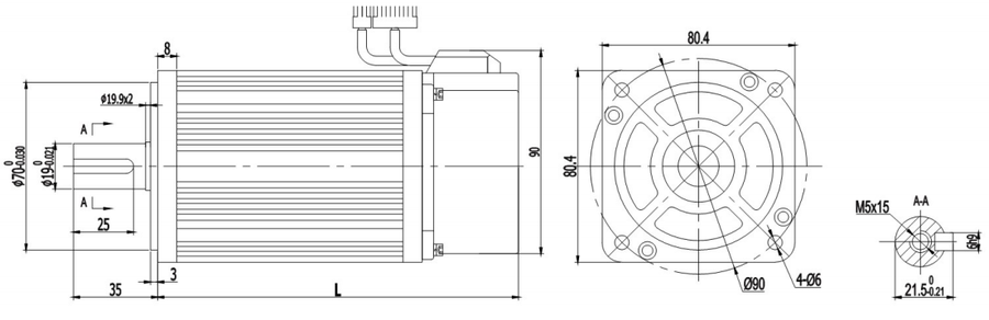
80ST-07530

80ST-07320

80ST-10025

L no brake

151

179

191

L with permanent magnet brake

205

233

245

L with electrical magnet brake

191

219

231


110 series motor parameters

Model

110 series

110ST-12030

110ST-15030

110ST-18030

Rated power KW

1.2

1.5

1.8

Rated line voltage V

220

220

220

Rated line current A

5.0

6.0

6.0

Rated RPM

3000

3000

3000

Rated torque Nm

4

4

6

Peak torque Nm

12

15

18

Rotor inertia kg·m2

0.54x10-3

0.63x10-3

0.76x10-3

Encoder line PPR

2500

Insulation class

Class F

Protection class

IP65

Use environment

Temperature: -20+50,   relative humidity 90% (no frost)



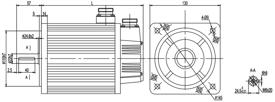
110ST-12030

110ST-15030

110ST-18030

L no brake

189

204

219

L with permanent magnet brake

245

260

275

L with electrical magnet brake

263

278

293


130 series motor parameters

Model

130 series

130ST-20025

130ST-15015

130ST-23015

Rated power KW

2.0

1.5

2.3

Rated line voltage V

220

220

220

Rated line current A

7.0

6.0

9.5

Rated RPM

2500

1500

1500

Rated torque Nm

7.7

10

15

Peak torque Nm

22

25

30

Rotor inertia kg·m2

1.53x10-3

1.94x10-3

2.77x10-3

Encoder line PPR

2500

Insulation class

Class F

Protection class

IP65

Use environment

Temperature: -20+50,   relative humidity 90% (no frost)




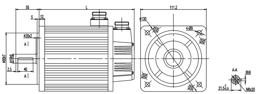
130ST-20025

130ST-15015

130ST-23015

L no brake

192

213

241

L with permanent magnet brake

262

283

311

L with electrical magnet brake

249

294

322