StatAi ® 斯达特科技

数控产品生产服务商 提供工业控制方案服务
咨询服务热线
18618151266

产品详情
ST-800C 伺服驱动器

ST-800C 伺服驱动器

1、采用先进技术DSP(数字信号处理器)芯片,采用先进的功率器件IPM,具有高性能、响应快、高可靠性、低成本等特点,支持个性化功能方案的定制,以国产伺服的成本实现进口产品的功能,处于国内伺服控制的领先水平。
2、采用先进技术DSP芯片, 全数字式交流伺服驱动器采用先进技术DSP(数字信号处理器)芯片,具有速度、位置、转矩三闭环智能PID控制,系统配置灵活。
3、全数字式伺服驱动器使用先进的功率模块器件IPM,使驱动器体积减小,使产品具有很高的可靠性.
4、拥有同行业足够高的放大器响应特性,大大缩短了整定的时间,速度环响应频率1KHz,电流环响应频率2KHz,整定时间10ms以内。
5、使用2500 线增量式编码器的高响应伺服电机,运行安静平稳。
6、适用于数控机床,金属切割,木工机床,机械手/臂,纺织机械,包装机械,雕刻机等,实现快速精确的位置控制。
产品详情
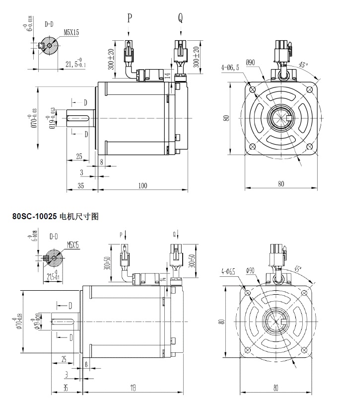
装配尺寸
使用指南
配套产品

      伺服系统主要由三部分组成:控制器,功率驱动装置,反馈装置和电动机。

      控制器按照数控系统的给定值和通过反馈装置检测的实际运行值的差,调节控制量;功率驱动装置作为系统的主回路,一方面按控制量的大小将电网中的电能作用到电动机之上,调节电动机转矩的大小,另一方面按电动机的要求把恒压恒频的电网供电转换为电动机所需的交流电或直流电;电动机则按供电大小拖动机械运转。


      使用温/湿度:0~55℃(无冻霜),90%RH以下(不结露)。

      存储温/湿度:-20~65℃(无冻霜),90%RH以下(不结露)。

      大气环境:控制柜内、无腐蚀性、易燃气体、油雾、尘埃等。

      标高:海拔1000m以下。

      振动:小于0.5G(4.9m/s2),10~60Hz(非连续运行)。

      防护:伺服驱动器自身结构无防护,因此必须安装在防护良好的电柜内,并防止腐蚀性、易燃性气体、导电物体、金属粉尘、油雾及液体等侵入。


C系列伺服说明书.pdf








ST-800C尺寸图.jpg













ST-800C配套电机01.jpgST-800C配套电机02.jpgST-800C配套电机03.jpgST-800C配套电机04.jpg