StatAi
®
斯达特科技
中文
中文
/
English
首页
Home
关于我们
Nav
产品中心
Nav
新闻动态
Nav
下载中心
Nav
联系我们
Nav
数控系统
伺服驱动
步进驱动
套料软件
数控产品生产服务商 提供工业控制方案服务
咨询服务热线
18618151266
产品详情
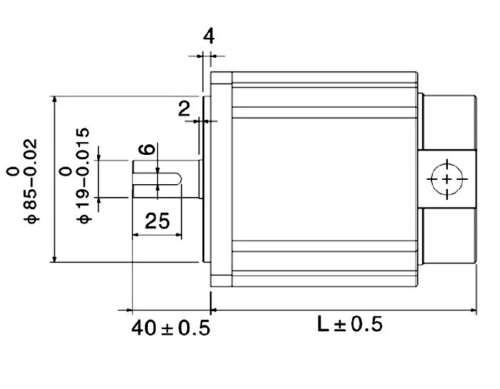
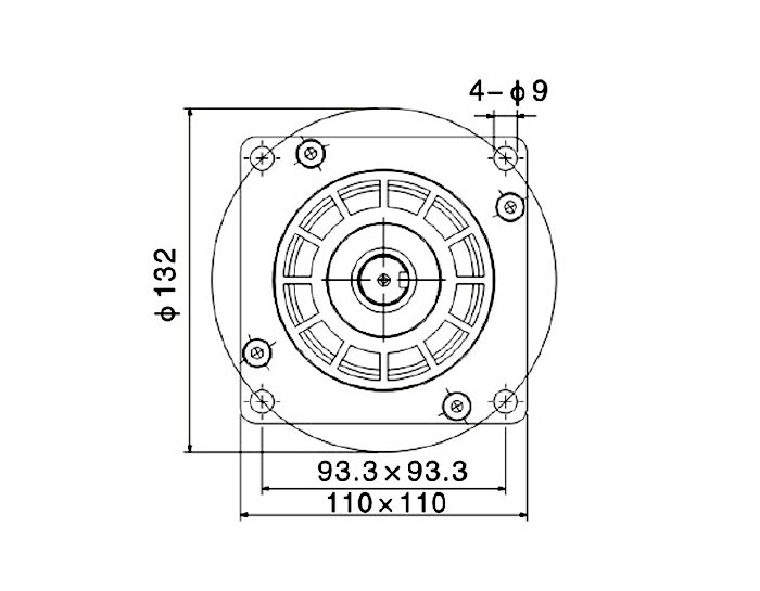
110BYG350系列 三相步进电机
工作环境
温度要求:-25°C - +55°C
湿度要求:10-85%不结露
绝缘电阻:500V DC 100MΩ Min
轴向间隙:0.1 --- 0.3mm
径向跳动:0.02mm Max
温 升:85°C Max
无腐蚀性、易燃易爆、导电性气 体或液体、无金属粉尘
绝缘强度:B
产品详情
装配尺寸
使用指南
配套产品